Продукти
Завъртащ се възвратен клапан
  • Завъртащ се възвратен клапанЗавъртащ се възвратен клапан

Завъртащ се възвратен клапан

Jinqiu Valve произвежда качествен въртящ се възвратен клапан, автоматичен клапан, известен също като еднопосочен клапан или възвратен клапан. Неговата функция е да предотврати обратния поток на средата в тръбопровода, позволявайки на течността да тече в една посока. Той ефективно предотвратява обратния поток (обратен поток), който може да повреди тръбопроводната система. Клапанът отваря или затваря своите отварящи и затварящи компоненти чрез потока и силата на средата, за да предотврати обратното връщане на средата.
Jinquan Valve is a high-tech enterprise integrating valve product research, production, sales, and service. As an H44H and H44Y type PN16 ~ PN250 swing check valves supplier, our customized swing check valves are suitable for pressures of 1.6 ~ 25MPa, working temperatures of -29 ~ +550 ℃, and are applicable to pipeline conditions in the petroleum, chemical, pharmaceutical, fertilizer, power industries, and other environments. Applicable media include water, oil, steam, acidic media, and so on. We have been operating in the valve manufacturing field for over twenty years. With our experience, we have won high praise from the market for our reasonable prices, high quality, and attentive service.

1. Автоматично отваряне и затваряне: Въртящият се възвратен клапан се отваря и затваря автоматично въз основа на силата на потока на средата. Когато средата тече в определената посока, дискът на клапана се отваря и клапанът се отваря. Когато средата спре да тече или тече обратно, дискът на клапана се затваря под собственото си тегло или силата на пружината, предотвратявайки обратния поток. Не е необходима ръчна работа, постига се автоматично управление.
2. Надеждно уплътнение: Уплътняващите повърхности на диска и седлото на клапана обикновено са изработени от заварена сплав на основата на желязо или твърда сплав на основата на кобалт Stellite, която е устойчива на износване, топлина, устойчивост на корозия и има добра устойчивост на надраскване. Това гарантира дълготраен стабилен ефект на запечатване и ефективно предотвратява изтичането на среда. 3. Безпрепятствен канал на потока: Каналът на потока е рационално проектиран, което води до ниско съпротивление на течността. Средата може да преминава безпроблемно през въртящия се възвратен клапан, намалявайки загубата на налягане и консумацията на енергия.

Параметри на производителност

модел H44H-16C~250 H44W-16P~250
Работно налягане(MPa) 1,6~25
подходяща температура(℃) ≤425 ≤550
Подходяща медия Вода, пара, масло Слаба корозивна среда
материал Корпус, капак, диск Въглеродна стомана Хром никел-титанова неръждаема стомана
Уплътнителна повърхност Сплави на базата на желязо за напластяване на въглеродна стомана Тялото е запечатано

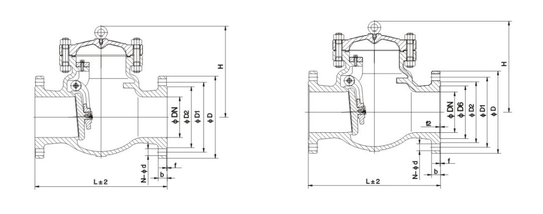
Основната форма и присъединителни размери

Номинален диаметърDN Основните размери и присъединителните размери
L D D1 D2 b З-д H
H44H-16C H44W-16C H44W-16P H44W-16R H44W-16I
25 160 115 85 65 16 4-14 100
32 180 135 100 78 16 4-18 105
40 200 145 100 85 16 4-18 115
50 230 160 125 100 16 4-18 135
65 290 180 145 120 18 4-18 142
80 310 195 160 135 20 8-18 165
100 350 215 180 155 20 8-18 180
125 400 245 210 185 22 8-18 210
150 480 280 240 210 24 8-23 233
200 500 335 295 265 26 12-23 304
250 550 405 355 320 30 12-25 348
300 650 460 410 375 30 12-25 390
350 750 520 470 435 34 16-25 430
400 850 580 525 485 36 16-30 468
H44H-25 H44W-25 H44W-25P H44W-25R H44W-25I
25 160 115 85 65 16 4-14 100
32 180 135 100 78 16 4-18 105
40 200 145 110 85 16 4-18 115
50 230 160 125 100 20 4-18 160
65 290 180 145 120 22 8-18 175
80 310 195 160 135 22 8-18 185
100 350 230 190 160 24 8-23 220
125 400 270 220 188 28 8-25 248
150 480 300 250 218 30 8-25 276
200 550 360 310 278 34 12-25 350
250 650 425 370 332 36 12-30 410
300 750 485 430 390 40 16-30 430
350 850 550 490 448 44 16-34 518
400 950 610 550 505 48 16-34 560

Картина на структурата

Горещи маркери: Възвратен клапан, Китай, персонализиран, качествен, издръжлив, усъвършенстван, производител, доставчик, фабрика, на склад
Изпратете запитване
Информация за контакт
  • Адрес

    No.1, North 1st Road, Stainless Steel New Town, Lecong Steel World West Road, Shunde District, Foshan City, Guangdong Province, Китай

  • Електронна поща

    jinqiufamen@gmail.com

За запитвания относно шибъри, вентили и възвратни клапани или ценова листа, моля, оставете своя имейл до нас и ние ще се свържем в рамките на 24 часа.

X
Ние използваме бисквитки, за да ви предложим по-добро сърфиране, да анализираме трафика на сайта и да персонализираме съдържанието. Използвайки този сайт, вие се съгласявате с използването на бисквитки от наша страна. Политика за поверителност
Отхвърляне Приеми