Продукти
GB стандартен сферичен вентил
  • GB стандартен сферичен вентилGB стандартен сферичен вентил

GB стандартен сферичен вентил

Висококачествените и персонализирани J41H, J41Y и J41W тип GB стандартни сферични вентили се произвеждат от JQF Valve, професионален производител на клапани в Китай. Отварящата и затварящата им част са цилиндрични вентилни дискове, а уплътнителната повърхност е плоска или конична. Клапанните дискове се движат линейно по централната линия на течността. Стандартните вентили на GB са подходящи само за напълно отворени или напълно затворени приложения и обикновено не се използват за регулиране на потока, но регулирането на потока и дроселирането могат да се извършват според нуждите на клиента.
Foshan Jinqiu Valve Co., Ltd. is a manufacturing factory integrating valve R&D, manufacturing, sales, and service. Our durable GB standard globe valves are specifically designed for oxygen pipelines, ensuring safe, stable, and efficient operation. Made from high-quality materials and undergoing rigorous degreasing and cleaning processes, these valves effectively prevent combustion risks and guarantee reliable sealing performance.

Стандартният сферичен вентил GB на склад е подходящ за диапазони на налягане от PN1,6-PN16 и размери от DN15-DN400, те винаги се използват в металургията, химическата промишленост, медицинския газ и енергетиката.

Структурни характеристики

Ние непрекъснато правим иновации и се стремим към високи постижения, като вървим в крак с времето с висококачествените сферични вентили по стандарт GB и изключителното обслужване на клиентите! Ние активно въвеждаме модерно оборудване, управление на предприятието и технически обслужващ персонал, като се стремим да изградим висококачествена местна и международна марка клапани. Приветстваме нови и стари клиенти да посетят и инспектират нашите съоръжения, да си сътрудничим за взаимна изгода и заедно да създадем по-добро бъдеще!

Изпълнителен стандарт

Спецификации на дизайна: GB / T 12235
Структурна дължина: GB / T 12221
Фланцево съединение: JB / T 79
Тест и проверка: JB / T 9002
Идентификация на продукта: GB / T 12220
Спецификации на доставката: JB / T 7928

Характеристики

1. Рационализирана и оптимизирана структура: Опростеният дизайн подобрява ефективността на производството на компоненти и поддръжката на оборудването с 30%. 2. Моментален контрол на отваряне и затваряне: Дизайнът на структурата с микроход постига скорост на реакция на отваряне и затваряне от 0,8 секунди на цикъл. 3. Дълготрайна уплътнителна система: Самосмазващата се технология на уплътнителната повърхност постига изключително нисък коефициент на триене; композитният запечатващ слой има продължителност на живот против стареене над 50 000 цикъла на отваряне и затваряне.

Параметри на производителност

модел J41H-16C~160C J41Y-16C~160C J41W-16P~160P
Работно налягане(MPa) 1,6~16,0
подходяща температура(℃) ≤425 ≤150
Подходяща медия Вода, пара, масло Слаба корозивна среда
материал Корпус, капак Въглеродна стомана Хром никел-титанова неръждаема стомана
Стебло на клапана Хромирана неръждаема стомана Хром никел-титанова неръждаема стомана
Уплътнителна повърхност Наваряване на сплави на основата на желязо Твърда наварена сплав Материал на тялото
пълнител Азбестов графит, гъвкав графит, PTFE

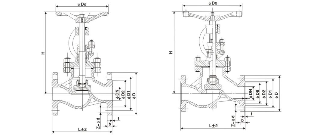
Основната форма и размер на връзката

Номинален диаметър Основните размери и присъединителните размери
L D D1 D2 b З-д H D0
J41H-16C
15 130 95 65 45 14-2 4-Φ14 170 120
20 150 105 75 55 14-2 4-Φ14 190 140
25 160 115 85 65 14-2 4-Φ14 205 160
32 180 135 100 78 16-2 4-Φ18 270 180
40 200 145 110 85 16-3 4-Φ18 310 200
50 230 160 125 100 16-3 4-Φ18 358 240
65 290 180 145 120 18-3 4-Φ18 373 240
80 310 195 160 135 20-3 8-Φ18 435 280
100 350 215 180 155 20-3 8-Φ18 500 300
125 400 245 210 185 22-3 8-Φ18 614 320
150 480 280 240 210 24-3 8-Φ23 674 360
200 600 335 295 265 26-3 12-Φ23 811 400
250 650 405 355 320 30-3 12-Φ25 969 450
300 750 460 410 375 30-3 12-Φ25 1145 580
350 850 520 470 435 34-4 16-Φ25 1280 640
400 980 580 525 485 36-4 16-Φ30 1452 640
J41H-25C
15 130 95 65 45 16-2 4-Φ14 170 120
20 150 105 75 55 16-2 4-Φ14 190 140
25 160 115 85 65 16-2 4-Φ14 205 160
32 180 135 100 78 18-2 4-Φ18 270 180
40 200 145 110 85 18-3 4-Φ18 310 200
50 230 160 125 100 20-3 4-Φ18 358 240
65 290 180 145 120 22-3 8-Φ18 373 240
80 310 195 160 135 22-3 8-Φ18 435 280
100 350 230 190 160 24-3 8-Φ23 500 300
125 400 270 220 188 28-3 8-Φ25 614 320
150 480 300 250 218 30-3 8-Φ25 674 360
200 600 360 310 278 34-3 12-Φ25 811 400
250 650 425 370 332 36-3 12-Φ30 969 450
300 750 485 430 390 40-4 16-Φ30 1145 580
350 850 550 490 448 44-4 16-Φ34 1280 640
400 980 610 550 505 48-4 16-Φ34 1452 640

Картина на структурата

Горещи маркери: GB стандартен сферичен вентил, Китай, персонализиран, качествен, издръжлив, усъвършенстван, производител, доставчик, фабрика, на склад
Изпратете запитване
Информация за контакт
  • Адрес

    No.1, North 1st Road, Stainless Steel New Town, Lecong Steel World West Road, Shunde District, Foshan City, Guangdong Province, Китай

  • Електронна поща

    jinqiufamen@gmail.com

За запитвания относно шибъри, вентили и възвратни клапани или ценова листа, моля, оставете своя имейл до нас и ние ще се свържем в рамките на 24 часа.

X
Ние използваме бисквитки, за да ви предложим по-добро сърфиране, да анализираме трафика на сайта и да персонализираме съдържанието. Използвайки този сайт, вие се съгласявате с използването на бисквитки от наша страна. Политика за поверителност
Отхвърляне Приеми